山东001在线

 找回密码
 立即注册
搜索
查看: 1173|回复: 0

「汽车正时」宝马全系列正时拆装方法

[复制链接]
  • TA的每日心情
    郁闷
    2018-2-22 13:59
  • 签到天数: 2 天

    [LV.1]初来乍到

    发表于 2019-5-19 10:39:00 | |阅读模式
    作者:今日头条

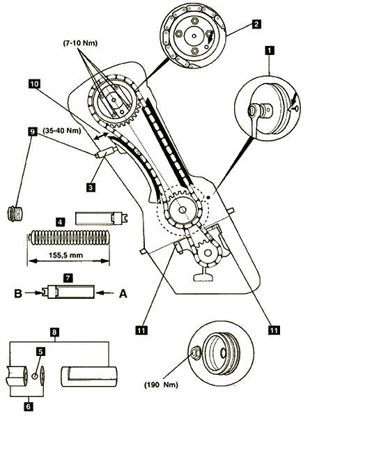
    一、316(E30)(发动机号:18 4V D(M10))(1984-1988);316i(E30)(发动机号:18 4K A,18 4E B,18 4E A(M10))(1987-1989);318i(E30)(发动机号:18 4E W,18 4E B(M10))(1984-1989)

    (一)气门正时调节步骤

    1.发动机在第一缸上止点位置1。

    2.朝着曲轴对齐凸轮轴链轮定位销2。

    注意:张紧器柱塞3由弹簧加载。

    3.检查链条张紧器。

    4.检查张紧器弹簧4的长度:155.5mm。

    5.摇动张紧器,确保能听到滚珠5的声音。

    6.通过向张紧器鼓入空气来检查阀门6的功能。

    7.在“A”方向,阀门应该闭合(如图中7所示)。

    8.在“B”方向,阀门应该打开(如图中7所示)。

    .如果没有打开或闭合,清洗链条张紧器部件8。

    10.链条张紧器放气顺序:

    11.拧松张紧器塞9。

    12.移动张紧器导轨直到机油从塞中流出(如图中10所示)。

    13.用机油泵壳体与气缸体之间的垫片调整机油泵链条张力11。

    注意:带绿色标记的机油泵链条比带红色标记的链条要长。

    注意:曲轴皮带轮螺栓必须只使用一次。见下图:

    「汽车正时」宝马全系列正时拆装方法-1.jpg



    二、316i(E36)(发动机号:16 4E 2)(1993-1999);316i Compact(E36)(发动机号:16 4E 2)(1994-2001);316i(E36)(发动机号:18 4E 2)(1993-1999)

    (一)气门正时调节步骤

    1.发动机在第一缸上止点位置。

    2.插入飞轮正时销1。工具号11 2 300。

    3.安装凸轮轴对准工具2。工具号11 3 190。

    4.拆下凸轮轴链轮螺栓3。

    5.朝着张紧器柱塞小心地压张紧器导轨4。

    6.插入锁止销以固定张紧器柱塞5。工具号11 4 120。见下图:

    「汽车正时」宝马全系列正时拆装方法-2.jpg



    三、318i(E46)(发动机号:19 4E 1(M43))(1998-2001);Z3 1.9I(发动机号:19 4E 1(M43))(1999-2001)

    (一)气门正时调节步骤

    1.发动机在第一缸上止点位置。

    2.确保曲轴链轮键槽在12点钟位置1。

    3.确保凸轮轴链轮箭头向上(如图中2所示)。

    4.插入飞轮正时销3。

    5.安装凸轮轴对准工具4。

    6.向后压张紧器导轨5以减轻链条上的负荷。

    7.朝着张紧器柱塞小心地压张紧器导轨6。

    8.为固定张紧器柱塞,插入定位销7。

    注意:不要拆卸链条张紧器。

    9.如果已经拆下或活塞延伸太远:

    ·将张紧器装配工具8置于张紧器壳体上。

    ·压正时链张紧器且用销子9锁止。见下图:

    「汽车正时」宝马全系列正时拆装方法-3.jpg



    四、318i S 16V(E30)(发动机号:25 6T 1)(1989-1991);318i S/Coupe(E36)(发动机号:25 6T 1)(1992-1998);318i Compact(E36)(发动机号:25 6T 1)(1994-1998)

    (一)气门正时调节步骤

    1.发动机在第一缸上止点位置。

    2.插入飞轮正时销1。工具号11 2 300。

    3.确保凸轮轴凸角相对(如图中2所示)且箭头向上(如图中3所示)。

    4.安装凸轮轴对准工具4。工具号11 3 240。

    注意:为防止发动机损坏,在重新安装之前必须拆开张紧器并重新锁止在安装位置。

    5.确保柱塞总成5的长度大约为68.5mm。

    6.将张紧器塞6拧紧到40牛·米。

    7.暂时将张紧器导轨压向张紧器以释放张紧器活塞7。

    8.使发动机在3500转时运转20秒钟以给张紧器注油。

    9.将曲轴皮带轮螺栓8拧紧到22牛·米。见下图:

    「汽车正时」宝马全系列正时拆装方法-4.jpg



    五、318i S/Coupe(E36)(发动机号:19 4S 1(M44))(1996-2000);318 ti Compact(E36)(发动机号:19 4S 1(M44))(1996-2001);Z3 1.9I(发动机号:19 4S 1(M44))(1996-1999)

    (一)气门正时调节步骤

    1.发动机在第一缸上止点位置。

    2.确保凸轮轴凸角相对(如图中1所示)且箭头方向朝上(如图中2所示)。

    3.确保凸轮轴定位孔3向上。

    4.插入飞轮正时销4。

    5.安装凸轮轴对准工具5。

    6.确保曲轴链轮键槽在12点钟位置6。

    7.在拧紧凸轮轴链轮螺栓之前,安装液压链轮张紧器。

    8.在安装之前排干链条张紧器7。

    9.将张紧器推进壳体直到锁紧垫圈8。

    10.重复该步骤两次。

    11.拧紧曲轴皮带轮螺栓。拧紧力矩:330牛·米。

    注意:曲轴皮带轮螺栓必须只能使用一次。见下图:

    「汽车正时」宝马全系列正时拆装方法-5.jpg



    六、320i(E36)(发动机号:20 6S 3)(1994-1998);323i/Compact(E36)(发动机号:25 6S 3)(1995-2001);328i(E36)(发动机号:28 6S 1)(1995-1999)

    (一)气门正时调节步骤

    1.转动曲轴到第一缸上止点位置。

    2.插入飞轮正时销1。使用工具11 2 300。

    3.确保凸轮轴凸角相对(如图中2所示)。

    4.安装凸轮轴对准工具3。工具号11 3 240。

    5.拧松排气凸轮轴链轮螺栓4。

    6.压下副张紧器并用工具5锁止。工具号11 3 292。

    7.顺时针转动排气凸轮轴链轮6时, 拆下VANOS单元7。使用工具11 5 490。

    8.拆下进气凸轮轴链轮螺母8。

    9.第一类:拆下止推垫圈9。

    10.第二类:拆下止推垫圈与弹簧片10。

    11.拆下装有链条的进排气凸轮轴链轮11和12。

    12.拆下副张紧器13。

    13.拆下链条导板14。

    14.拆下张紧器总成15。

    注意:张紧器装有强劲的弹簧。

    15.拆下凸轮轴链轮与链条16。

    16.安装凸轮轴链轮。确保箭头16向上。

    17.确保螺纹孔位于凸轮轴链轮内槽17的左端。

    18.安装链条预张紧工具18。工具号11 3 390。

    19.拧入调整螺钉直到它与导轨接触。不要拧紧螺钉。

    20.安装链条导板14。

    21.安装副张紧器总成13。

    22.安装装有链条的凸轮轴链轮11与12。确保螺纹孔位于槽的中央。

    23.安装止推垫圈9或止推垫圈与弹簧片10。

    24.将进气凸轮轴链轮螺母8拧紧至10N·m。

    25.安装排气凸轮轴链轮螺栓4。不要拧紧螺栓。

    26.第一类不带弹簧片9:顺时针转动链轮11与12直到转不动为止。

    27.将VANOS装置花键轴压入装置内,直到碰到棘爪。

    28.装配VANOS装置,转动花键轴直到装置接合(如图中7所示)。

    29.第二类带弹簧片10:插入VANOS装置花键轴6时,逆时针转动链轮。使用工具11 5 490。

    30.拧紧VANOS装置螺栓。

    31.用张紧工具18给正时链预加载荷到1.3N·m。工具号11 3 390。

    32.分两步将排气凸轮轴链轮螺栓4拧紧。第一步:5N·m;第二步:22N·m。

    33.拆下正时销1和凸轮轴对准工具3。

    34.顺时针转动曲轴两圈。

    35.确保正时销1和凸轮轴对准工具3能被重新装配。

    36.安装张紧器总成15。

    37.将张紧器拧紧至70N·m。

    38.将曲轴皮带轮螺栓19拧紧至22N·m。

    39.检查VANOS装置的功能。见下图:

    「汽车正时」宝马全系列正时拆装方法-6.jpg



    七、320i/323i/328i/Coupe(E46)(20/25/28 6S 4(M52))(1998-2001);523i,528i(E39)(25 6S 4,28 6S 2(M52))(1998-2001);728i(E38)(28 6S 2(M52))(1998-2001);Z3 2.8i(28 6S 2(M52))(1999-2001)

    (一)气门正时调节步骤:

    1.拆卸/安装正时链需要:

    ·如果装配两级曲轴皮带轮/减震器,拆下机油盘。

    注意:关于拧紧力矩请查阅Autodata技术数据。

    2.发动机在第一缸上止点位置。

    3.确保凸轮轴凸角相对(如图中1所示)。

    4.确保凸轮轴对准工具2能被安装。

    5.如果不能安装,按下列顺序调整凸轮轴:

    注意:张紧器柱塞由弹簧加载

    ·拆下张紧器3。

    ·使用工具4向正时链预加载荷至0.7N·m。

    ·拧下VANOS单元机油压力管。

    ·将压缩空气( 2-8 bar )导入VANOS单元。使用专用工具。

    ·转动曲轴两圈,直到凸轮轴凸缘彼此相对(如图中1所示)。

    6.插入飞轮正时销5。

    7.确保凸轮轴对准工具2能被重新装配。

    8.拆下VANOS单元6。

    注意:密封帽后面的螺钉7是左旋螺纹。

    9.拆下正时链预张紧工具4。

    10.压下副张紧器,并用工具8锁止。

    11.拆下装有次级链条的进排气凸轮轴链轮9和10。

    12.拆下副张紧器11。

    13.拆下凸轮轴链轮与链条12。 l) B# F1 @) v+ `

    14.按下列步骤安装带有链条的链轮:

    ·安装带链条的排气凸轮轴链轮。确保链轮上的箭头与气缸盖上边缘对正,见13。

    ·安装链条预张紧工具4。

    ·拧入调整螺钉直到与导轨接触(不要拧紧螺钉)。如有必要,再次对正凸轮轴链轮,见13。

    ·安装副张紧器11。

    ·用锁止销将带齿套筒14与带齿轴15安装到排气凸轮轴链轮上。确保齿槽相互对正,见16。

    ·推进带齿轴直到螺纹孔位于槽的中心,见17。

    ·将凸轮轴链轮与次级链条按图中18所示位置对正。使用专用工具。

    ·在凸轮轴链轮安装过程中,确保在进气侧齿槽相互对齐,见19。

    15.用销将带齿轴装配到进气凸轮轴链轮上。推进齿形轴直到只有1mm的花键可见(如图中20所示)。

    16.安装垫圈与螺母21。不要拧紧。

    17.将标记“F”的板簧22与传感器机构23安装到排气凸轮轴。

    18.确保传感器齿轮23上的箭头与气缸盖上缘对正。不要拧紧螺母。

    19.拔出排气侧的齿形轴直到拔不动为止。

    20.安装并释放次级张紧器8。

    21.使用工具4给链条预加载荷至0.7N·m。

    22.通过压传感器机构23,稍微给板簧施加预载荷。用手指拧紧螺母。

    23.拧下列步骤用工具设定凸轮轴正时:

    注意:在装配专用工具之前拆下垫圈24。工具号11 6 150。

    ·分两步拧紧螺钉和螺母(顺序如下)24:

    第一步:5N·m。

    第二步:“A”- 20N·m,“B”、“C”- 10N·m。

    24.安装正时链张紧器3。

    25.拆下对准工具并转动曲轴两圈。

    26.检查发动机是否在第一缸上止点位置。使用专用工具。

    27.拆下凸轮轴正时调整工具24。工具号11 6 150。

    28.安装VANOS单元6。

    注意:密封帽后面的螺钉7是左旋螺纹。

    29.带整体式曲轴皮带轮/减震器25的发动机。

    30.带两级式曲轴皮带轮/减震器26的发动机。

    注意:曲轴皮带轮中心螺栓必须只能使用一次。见下图:

    「汽车正时」宝马全系列正时拆装方法-7.jpg



    八、320i/325i 24V(E36)(发动机号:20 6S 2,25 6S 1,25 6S 2)(1991-1997)

    (一)气门正时调节步骤

    1.转动曲轴到第一缸上止点位置。

    2.插入飞轮正时销1。工具号11 2 300。

    3.确保凸轮轴凸角相对(如图中2所示)。

    4.确保链轮标记朝上(如图中3所示)。

    5.压下张紧器并用工具4锁止。工具号11 3 290。

    6.拆下装有链条的链轮5。

    7.拆下副张紧器6。

    8.拆下链条导板7。

    9.拆下张紧器总成8。

    注意:张紧器装有强劲的弹簧。

    10.拆下凸轮轴链轮9。

    11.安装凸轮轴对准工具10。工具号11 3 240。

    12.安装凸轮轴链轮。确保箭头9向上。

    13.确保螺纹孔位于凸轮轴链轮上的槽11的左端。

    14.重新安装张紧器以确保柱塞末端与导轨接合(如图中8所示)。

    15.拧紧张紧器柱塞到50牛·米。

    16.安装带有链条的链轮5。确保箭头向上。

    17.不要拧紧螺栓12。

    18.拆下张紧器锁止工具4。

    19.分两步将凸轮轴链轮螺栓12拧紧。第一步:5N·m;第二步:22N·m。

    20.拆下凸轮轴对准工具10。

    21.将曲轴皮带轮螺栓13拧紧到22N·m。见下图:

    「汽车正时」宝马全系列正时拆装方法-8.jpg



    九、320i/325i 24V(E36)(VANOS)(20 6S 2,25 6S 1,25 6S 2)(1991-1997)

    (一)气门正时调节步骤

    1.转动曲轴到第一缸上止点位置。

    2.插入飞轮正时销1。使用工具11 2 300。

    3.确保凸轮轴凸角相对(如图中2所示)。

    4.安装凸轮轴对准工具3。工具号11 3 240。

    5.拧松排气凸轮轴链轮螺栓4。

    6.压下次级张紧器且用工具5锁止。工具号11 3 290。

    7.顺时针转动排气凸轮轴链轮6时, 拆下VANOS单元7。使用工具11 5 490。

    8.拆下进气凸轮轴链轮螺母8。

    9.第一类:拆下止推垫圈9。

    10.第二类:拆下止推垫圈与弹簧板10。

    11.拆下装有链条的进气凸轮轴链轮11和排气凸轮轴链轮12。

    12.拆下副张紧器13。

    13.拆下链条导板14。

    14.拆下张紧器总成15。

    注意:张紧器装有强劲的弹簧。

    15.拆下凸轮轴链轮与链条16。

    16.安装凸轮轴链轮。确保箭头16向上。

    17.确保螺纹孔位于凸轮轴链轮上槽的左端(如图中17所示)。

    18.安装链条预张紧工具18。工具号11 3 390。

    19.拧入调整螺钉直到它与导轨接触。不要拧紧螺钉。

    20.安装链条导板14。

    21.安装副张紧器总成13。

    22.安装装有链条的凸轮轴链轮11和12。确保螺纹孔位于槽的中心。

    23.安装止推垫圈9或止推垫圈与弹簧板10。

    24.将进气凸轮轴链轮螺母8拧紧至10N·m。

    25.安装排气凸轮轴链轮螺栓4。不要拧紧螺栓。

    26.第一类不带弹簧板9:顺时针转动链轮11与12直到转不动为止。

    27.将VANOS单元花键轴压入装置内,直到棘爪。

    28.装配VANOS单元,转动花键轴直到装置接合(如图中7所示)。

    29.第二类带弹簧板:插入VANOS单元花键轴6时,逆时针转动链轮。使用工具11 5 490。

    30.用张紧工具18将正时链预紧到1.3N·m。工具号11 3 390。

    31.分两步拧紧排气凸轮轴链轮螺栓4。第一步:5N·m;第二步:22N·m。

    32.拆下正时销1和凸轮轴对准工具3。

    33.顺时针转动曲轴两圈。

    34.确保正时销1与凸轮轴对准工具3能被重新装配。

    35.将曲轴皮带轮螺栓19拧紧至22N·m。见下图:

    「汽车正时」宝马全系列正时拆装方法-9.jpg



    十、520i(E39)(发动机号:20 6S 3)(1995-1999);523i(E39)(发动机号:25 6S 3)(1995-1999);528i(E39)(发动机号:28 6S 1)(1995-2001)

    (一)气门正时调节步骤

    1.转动曲轴到第一缸上止点位置。

    2.插入飞轮正时销1。使用工具11 2 300。

    3.确保凸轮轴凸角相对,见2。

    4.安装凸轮轴对准工具3。工具号11 3 240。

    5.拧松排气凸轮轴链轮螺栓4。

    6.压下次级张紧器并用工具5锁止。工具号11 3 292。

    7.顺时针转动排气凸轮轴链轮6时, 拆下VANOS单元7。使用工具11 5 490。

    8.拆下进气凸轮轴链轮螺母8。

    9.第一类:拆下止推垫圈9。

    10.第二类:拆下止推垫圈与弹簧片10。

    11.拆下装有链条的进、排气凸轮轴链轮11和12。

    12.拆下次级张紧器13。

    13.拆下链条导板14。

    14.拆下张紧器总成15。

    注意:张紧器装有强劲的弹簧。

    15.拆下凸轮轴链轮与链条16。

    16.安装凸轮轴链轮。确保箭头16向上。

    17.确保螺纹孔位于凸轮轴链轮内槽17的左端。

    18.安装链条预张紧工具18。工具号11 3 390。

    19.拧调整螺钉直到它与导轨接触。不要拧紧螺钉。

    20.安装链条导板14。

    21.安装次级张紧器总成13。

    22.安装装有链条的凸轮轴链轮11与12。确保螺纹孔位于槽的中心。

    23.安装止推垫圈9或止推垫圈与弹簧片10。

    24.将进气凸轮轴链轮螺母8拧紧至10N·m。

    25.安装排气凸轮轴链轮螺栓4。不要拧紧螺栓。

    26.第一类不带弹簧片9:顺时针转动链轮11与12直到转不动为止。

    27.将VANOS单元花键轴压入单元内,直到接触棘爪。

    28.装配VANOS单元,转动花键轴直到装置7啮合。

    29.第二类带弹簧片:插入VANOS单元花键轴6时,逆时针转动链轮。使用工具11 5 490。

    30.拧紧VANOS单元螺栓。

    31.用张紧工具18给正时链预加载荷到1.3N·m。工具号11 3 390。

    32.分两步将排气凸轮轴链轮螺栓4拧紧。第一步:5N·m;第二步:22N·m。

    33.拆下正时销1与凸轮轴对准工具3。

    34.顺时针转动曲轴两圈。

    35.确保正时销1与凸轮轴对准工具3能被重新装配。

    36.安装张紧器总成15。

    37.将张紧器拧紧至70N·m。

    38.将曲轴皮带轮螺栓拧紧至22N·m。

    39.检查VANOS单元的功能。见下图:

    「汽车正时」宝马全系列正时拆装方法-10.jpg



    十一、520i/525i 24V(E34)(发动机号:20 6S 2,25 6S 1,25 6S 2)(1989-1996)

    (一)气门正时调节步骤

    1.转动曲轴到第一缸上止点位置。

    2.插入飞轮正时销1。使用工具11 2 300。

    3.确保凸轮轴凸角相对,见2。

    4.安装凸轮轴对准工具3。工具号11 3 240。

    5.拧松排气凸轮轴链轮螺栓4。

    6.压下次级张紧器并用工具5锁止。工具号11 3 290。

    7.顺时针转动排气凸轮轴链轮6时, 拆下VANOS单元7。使用工具11 5 490。

    8.拆下进气凸轮轴链轮螺母8。

    9.第一类:拆下止推垫圈9。

    10.第二类:拆下止推垫圈与弹簧片10。

    11.拆下装有链条的进排气凸轮轴链轮11和12。

    12.拆下次级张紧器13。

    13.拆下链条导板14。

    14.拆下张紧器总成15。

    注意:张紧器装有强劲的弹簧。

    15.拆下凸轮轴链轮与链条16。

    16.安装凸轮轴链轮。确保箭头16向上。)

    17.确保螺纹孔位于凸轮轴链轮内槽17的左端。

    18.安装链条预张紧工具18。工具号11 3 390。

    19.拧调整螺钉直到它与导轨接触。不要拧紧螺钉。

    20.安装链条导板14。

    21.安装次级张紧器总成13。

    22.安装装有链条的凸轮轴链轮11与12。确保螺纹孔位于槽的中心。

    23.安装止推垫圈9或止推垫圈与弹簧片10。

    24.将进气凸轮轴链轮螺母8拧紧至10N·m。

    25.安装排气凸轮轴链轮螺栓4。不要拧紧螺栓。

    26.第一类不带弹簧片9:顺时针转动链轮11和12直到转不动为止。

    27.将VANOS单元花键轴压入单元内,直到接触棘爪。

    28.装配VANOS单元,转动花键轴直到装置7接合。

    29.第二类带弹簧片10:插入VANOS单元花键轴6时,逆时针转动链轮。使用工具11 5 490。

    30.用张紧工具18给正时链预加载荷到1.3N·m。工具号11 3 390。

    31.分两步将排气凸轮轴链轮螺栓4拧紧。第一步:5N·m;第二步:22N·m。

    32.拆下正时销1和凸轮轴对准工具3。

    33.顺时针转动曲轴两圈。

    34.确保正时销1与凸轮轴对准工具3能被重新装配。

    35.将曲轴皮带轮螺栓19拧紧至22N·m。见下图:

    「汽车正时」宝马全系列正时拆装方法-11.jpg



    十二、525i/528i(E28)(发动机号:25 6E A,28 6E C)(1981-1987);530i/535i(E34)(发动机号:30 6K A,34 6E C,34 6K B)(1981-1993)

    (一)气门正时调节步骤

    1.发动机在第一缸上止点位置1。

    2.凸轮轴链轮螺纹孔垂直对正(见图中2)。

    3.凸轮轴链轮定位销在位置3。

    4.拆下张紧器塞4。

    注意:塞4由强劲的弹簧压紧。

    5.拆下凸轮轴链轮。见下图:

    「汽车正时」宝马全系列正时拆装方法-12.jpg



    十三、530i/540i V8(E34)(发动机号:30 8S 1,40 8S 1)(1992-1996);730i/740I(E32)(发动机号:30 8S 1,40 8S 1)(1992-1994)

    (一)气门正时调节步骤

    1.发动机在第一缸上止点位置。

    2.插入飞轮正时销1。工具号11 2 300。

    3.确保第一缸凸轮轴凸角2相对。

    4.确保凸轮轴链轮箭头3向上。

    5.安装凸轮轴对准工具4。工具号11 2 441/442/443/444/445。

    6.在拧紧凸轮轴链轮螺栓之前,给正时链预加张力。使用工具11 3 390(见图中5)。见下图:

    「汽车正时」宝马全系列正时拆装方法-13.jpg



    十四、535I(E39)(发动机号:35 8S 1(M62))(1996-2000);735I(E38)(发动机号:35 8S 1(M62))(1996-2000)

    (一)气门正时调节步骤

    1.拆卸/安装正时链需要:

    I·拆下机油盘。

    2.发动机在第一缸上止点位置。

    3.插入飞轮正时销1。

    4.确保第一缸凸轮轴凸角2相对。

    5.确保传感器机构上标记在给出的位置3。

    6.安装凸轮轴对准工具4。

    7.在图示位置处使用扳手5能够防止凸轮轴转动。

    8.次级张紧器能够用工具6锁止。

    9.按下列顺序安装带有链条的排气凸轮轴链轮

    ·确保螺纹孔位于槽的中心。

    ·松开次级张紧器。

    ·安装排气凸轮轴链轮螺栓7(不要拧紧)。

    10.按下列顺序安装带有链条的进气凸轮轴链轮8:

    ·确保螺纹孔位于槽的中心。

    ·在凸轮轴链轮上安装传感器机构。确保标记在图示位置3。

    ·安装进气凸轮轴链轮螺栓(不要拧紧)。

    ' [0 m) c0 B% O/ g3 I, I·使用工具9给正时链预加载荷至0.7N·m。

    ·拧紧凸轮轴链轮螺栓。

    ·排干张紧器中的气体并安装正时链张紧器10。

    注意:曲轴减震器/毂螺栓11必须只能使用一次。见下图:

    「汽车正时」宝马全系列正时拆装方法-14.jpg



    十五、535I(E39)(发动机号:35 8S 2(M62))(1998-2001);735I(E38)(发动机号:35 8S 2(M62))(1998-2001)

    (一)气门正时调节步骤

    1.拆卸/安装正时链需要:

    ·拆下机油盘。

    注意:有关拧紧力矩请查阅Autodata技术数据。

    2.发动机在第一缸上止点位置。

    3.插入飞轮正时销1。

    4.确保第一缸凸轮轴凸角2相对。

    5.安装凸轮轴对准工具3。

    6.在图示位置使用扳手4可以防止凸轮轴转动。

    7.用工具5可以锁止次级张紧器。

    注意:凸轮轴螺母/螺钉是左旋螺纹。

    8.安装装有链条的凸轮轴链轮。不要拧紧螺栓6和7。

    9.按下列顺序调整VANOS单元:

    ·松开次级张紧器5。

    ·安装链条预张紧工具8。

    ·拧入调整螺钉直到它与导轨接触。不要拧紧螺钉。

    ·左侧气缸组:将万用表连接到VANOS单元触针以及气缸盖油管上的螺钉9。将万用表设定到声学连续测试。

    ·使用40N·m的扭力扳手和调整工具,逆时针向着左侧挡块转动VANOS单元(如图中9所示),直到可以听到声音信号。

    ·将凸轮轴链轮螺栓6 (左旋螺纹)拧紧至15N·m。拧松螺栓90°。

    ·右侧气缸组:重复VANOS单元的调整(如图中9所示)。使用万用表。

    ·将凸轮轴链轮螺栓7 (左旋螺纹)拧紧至15N·m。拧松螺栓90°。

    ·用工具给正时链8预加载荷至0.7N·m。

    1·左侧气缸组:使用万用表重调VANOS单元(如图中9所示)。

    ·将凸轮轴链轮螺栓6(左旋螺纹)拧紧:进气凸轮轴-110N·m。排气凸轮轴-125N·m。

    ·右侧气缸组:使用万用表重调VANOS单元(如图中9所示)。

    ·拧紧凸轮轴链轮螺栓7(左旋螺纹)。拧紧力矩:进气凸轮轴-110N·m。排气凸轮轴-125N·m。

    10.按下列顺序将传感器机构10安装到进气凸轮轴:

    ·安装传感器机构螺母(不要拧紧)。

    ·在图示位置对正右侧/左侧传感器机构上的孔,并用工具11锁止。

    ·拧紧传感器机构螺母10(左旋螺纹)。拧紧力矩:40N·m。

    11.排干张紧器中的气体并安装正时链张紧器12。

    注意:曲轴减震器/毂的螺栓必须只能使用一次。见下图:

    「汽车正时」宝马全系列正时拆装方法-15.jpg



    十六、728i(E38)(发动机号:28 6S 1)(1995-1998);Z3 2.8i(发动机号:28 6S 1)(1997-1999)

    (一)气门正时调节步骤

    1.转动曲轴到第一缸上止点位置。

    2.插入飞轮正时销1。使用工具11 2 300。

    3.确保凸轮轴凸角2相对。

    4.安装凸轮轴对准工具3。工具号11 3 240。

    5.拧松排气凸轮轴链轮螺栓4。

    6.压下次级张紧器并用工具5锁止。工具号11 3 292。

    7.当顺时针转动排气凸轮轴链轮6时, 拆下VANOS单元7。使用工具11 5 490。

    8.拆下进气凸轮轴链轮螺母8。

    9.第一类:拆下止推垫圈9。

    10.第二类:拆下止推垫圈与弹簧片10。

    11.拆下装有链条的进、排气凸轮轴链轮11和12。

    12.拆下次级张紧器13。

    13.拆下链条导板14。

    14.拆下张紧器总成15。

    注意:张紧器装有强劲的弹簧。

    15.拆下凸轮轴链轮与链条16。

    16.安装凸轮轴链轮。确保箭头16向上。

    17.确保螺纹孔位于凸轮轴链轮内槽17的左端。

    18.安装链条预张紧工具18。工具号11 3 390。

    19.拧入调整螺钉直到与导轨接触。不要拧紧螺钉。

    20.安装链条导板14。

    21.安装次级张紧器总成13。

    22.安装装有链条的凸轮轴链轮11与12。确保螺纹孔位于槽的中心。

    23.安装止推垫圈9或止推垫圈与弹簧片10。

    24.将进气凸轮轴链轮螺母8拧紧至10N·m。

    25.安装排气凸轮轴链轮螺栓4。不要拧紧螺栓。

    26.第一类不带弹簧片9:顺时针转动链轮11与12直到转不动为止。

    27.将VANOS单元花键轴压入单元内,直到接触棘爪。

    28.装配VANOS单元,转动花键轴直到单元7啮合。

    29.第二类带弹簧片10:插入VANOS单元花键轴6时,逆时针转动链轮。使用工具11 5 490。

    30.拧紧VANOS单元螺栓。

    31.用张紧工具18给正时链预加载荷到1.3N·m。工具号11 3 390。

    32.分两步将排气凸轮轴链轮螺栓4拧紧。第一步:5N·m;第二步:22N·m。

    33.拆下正时销1与凸轮轴对准工具3。

    34.顺时针转动曲轴两圈。

    35.确保正时销1与凸轮轴对准工具3能被重新装配。

    36.安装张紧器总成15。

    37.将张紧器拧紧至70N·m。

    38.将曲轴皮带轮螺栓19拧紧至22N·m。

    39.检查VANOS单元的功能。见下图:

    「汽车正时」宝马全系列正时拆装方法-16.jpg



    十七、730i/740i(E38)(发动机号:30 8S 1,40 8S 1)(1994-1996);840 Ci(E31)(发动机号:40 8S 1)(1993-1999)

    (一)气门正时调节步骤

    1.发动机在第一缸上止点位置。

    2.插入飞轮正时销1。工具号11 2 300。

    3.确保第一缸凸轮轴凸角2相对。

    4.确保凸轮轴链轮箭头3向上。

    5.安装凸轮轴对准工具4。工具号11 2 441/442/443/444/445。

    6.在拧紧凸轮轴链轮螺栓之前,给正时链预加张力。使用工具11 3 390(见图中5)。见下图:

    「汽车正时」宝马全系列正时拆装方法-17.jpg



    十八、750i(E32)(发动机号:50 12 A(M70))(1987-1994);850i,850Csi(E31)(发动机号:50 12 A,56 12 1(M70/S70))(1990-1999)

    (一)气门正时调节步骤

    1.拆卸/安装正时链需要:

    ·拆下机油盘。

    注意:有关拧紧力矩请查阅Autodata技术数据。

    2.发动机在第一缸上止点位置。

    3.插入飞轮正时销1。

    4.确保凸轮轴上定位销互相对正(如图中2所示)。

    5.安装凸轮轴对准工具3。

    注意:张紧器柱塞由弹簧加载。

    6.按下列顺序拆下张紧器4:

    ·拧松张紧器锁紧螺母5。

    ·将调整螺钉6拧松几圈。

    ·拧开塞子,拆下张紧器柱塞。

    7.安装凸轮轴链轮(不要拧紧):

    ·确保链轮之间非张力侧的正时链是紧绷的。

    ·在拧紧凸轮轴链轮螺栓前张紧链条:

    ·拧紧力矩:M6-10N·m。

    8.按下列顺序调节链条张紧器8:

    ·拧松调节螺钉6直到不再与张紧器导轨接触。

    ·在正常的转动方向转动发动机一次。

    ·测量距离“A”,见图中8。

    ·逆着张紧器导轨弹力推链条,直到推不动为止,见图中8。

    ·测量距离“B”,见图中8。

    ·用距离“A”减去距离“B”。

    ·用调整螺钉6调整距离“A”-“B”至:

    ·不带链轮时的张紧器导轨9: 6±0.5mm。

    ·带链轮时的张紧器导轨10:5±0.5mm。

    ·拧紧张紧器锁紧螺母5。

    9.拧紧曲轴皮带轮中心螺栓11:

    ·拧紧力矩:M18-100N·m+60°+60°+30°。

    ·拧紧力矩:螺栓识别号为110-440N·m。

    注意:曲轴皮带轮中心螺栓必须只能使用一次。见下图:

    「汽车正时」宝马全系列正时拆装方法-18.jpg



    十九、750i(E38)(发动机号:54 12 1,54 12 2(M73))(1994-2001);850i(E31)(发动机号:54 12 1(M73))(1994-1999)

    (一)气门正时调节步骤

    1.拆卸/安装正时链需要:

    ·拆下机油盘。

    注意:有关拧紧力矩请查阅Autodata技术数据。

    2.发动机在第一缸上止点位置。

    3.插入飞轮正时销1。

    4.确保凸轮轴上凹槽与螺钉对正,见图中2。

    5.安装凸轮轴对准工具3。

    注意:张紧器柱塞由弹簧加载。

    6.按下列顺序拆下张紧器4:

    ·拧松张紧器锁紧螺母5。

    ·将调整螺钉6拧松几圈。

    ·拧开旋塞7,拆下张紧器柱塞。

    7.安装凸轮轴链轮(不要拧紧):

    ·确保链轮之间非张力侧的正时链是紧绷的。

    ·在拧紧凸轮轴链轮螺栓前张紧链条:

    ·拧紧力矩:M6-10N·m。M7-15N·m。

    8.按下列顺序调整链条张紧器:

    ·暂时将张紧器导轨压向链条,测量距离“A”,见图中8。

    ·克服弹簧力推链条张紧器导轨,测量距离“B”,见图中8。

    ·用距离“A”减去距离“B”。

    ·用调整螺钉6调整距离“A”-“B”至:6±0.5mm。

    ·拧紧张紧器锁紧螺母5。

    9.拧紧曲轴皮带轮中心螺栓9。拧紧力矩:100N·m+60°+60°。

    注意:曲轴皮带轮中心螺栓必须只能使用一次。见下图:

    「汽车正时」宝马全系列正时拆装方法-19.jpg



    二十、Z3 3.2i(发动机号:32 6S 1(S50))(1997-2001);M3(E36)(发动机号:32 6S 1(S50))(1995-2000)

    (一)气门正时调节步骤

    1.拆卸/安装正时链需要:

    ·拆下气缸盖。

    ·拆下机油盘。

    注意:关于拧紧顺序与拧紧力矩,请查阅Autodata技术数据。

    2.按下列顺序将发动机置于第一缸上止点位置:

    ·转动曲轴直到正时标记对正(如图中1所示)。

    ·插入曲轴锁止销(如图中1所示)。

    ·将专用工具连接到VANOS单元上,逆时针方向转动凸轮轴,直到两个凸轮轴上的凹槽与轴承盖上的凹槽对正(如图中2所示)。使用扳手在图中所示的位置3。

    ·确保凸轮轴凸角相对(如图中2所示)。" C2 n/ w& A% b9 F& d6 r

    ·安装凸轮轴对准工具4。工具号11 5 080。

    注意:张紧器柱塞由弹簧加载。

    3.按下列顺序安装带有链条的凸轮轴链轮:

    ·确保排气凸轮轴上的凹槽与凸轮轴轴承盖上的凹槽对正(如图中5所示)。

    ·确保进气凸轮轴上的凹槽与凸轮轴轴承盖上的凹槽相差10°(见图中6)。

    ·安装带有链条的排气凸轮轴链轮,如图中7所示。

    ·安装进气凸轮轴链轮,使其长孔的中心与气缸盖上缘对正(如图中8所示)。

    ·小心地将半环9和轮毂总成10安装到进气凸轮轴链轮。首先在“A”位置插入螺钉11(不要拧紧)。

    注意:只能使用原来的防磁螺钉。

    4.按下列顺序安装链条张紧器12:

    注意:在安装前排干链条张紧器中的气体。

    ·小心地推链条张紧器13。

    ·重复这个步骤两次。

    5.安装凸轮轴对准工具14。工具号11 7 341/2。

    6.检查VANOS单元的功能。使用专用工具15。

    7.在安装前及安装过程中,VANOS单元花键轴必须在“延迟”位置15。使用专用工具。

    8.顺时针转动进气凸轮轴与排气凸轮轴上的花键毂,直到转不动为止(如图中16所示)

    9.用两个螺钉安装VANOS单元并将其固定到气缸盖上。

    10.拧紧进气凸轮轴17与排气凸轮轴上的两个可接近的螺钉。拧紧力矩:10N·m。

    11.拆下曲轴锁止销1。

    12.转动曲轴并拧紧进排气凸轮轴上的固定螺钉。拧紧力矩:10N·m。

    13.检查发动机是否在第一缸上止点位置。使用工具11 2 300/11 5 080。

    14.安装上链条导板18。

    15.安装固定螺钉并拧紧VANOS单元。

    16.拧紧曲轴减震器毂螺栓19。拧紧力矩:60N·m+50°+50°。

    注意:曲轴减震器毂螺栓必须只使用一次。见下图:

    「汽车正时」宝马全系列正时拆装方法-20.jpg

    QQ|手机版|小黑屋|Archiver|山东001在线 ( ICP11027147 )

    GMT+8, 2026-4-5 13:17 , Processed in 0.042902 second(s), 24 queries , Gzip On.

    Powered by Discuz! X3.4

    © 2001-2023 Discuz! Team.

    快速回复 返回顶部 返回列表